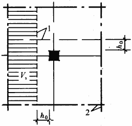
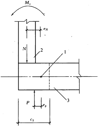
8.4 高层建筑筏形基础 8.4.1 筏形基础分为平板式和梁板式两种类型,其选型应根据工程具体条件确定。与梁板式筏基相比,平板式筏基具有抗冲切及抗剪切能力强的特点,且构造简单,施工便捷,经大量工程实践和部分工程事故分析,平板式筏基具有更好的适应性。 8.4.2 对单幢建筑物,在均匀地基的条件下,基础底面的压力和基础的整体倾斜主要取决于作用的准永久组合下产生的偏心距大小。对基底平面为矩形的筏基,在偏心荷载作用下,基础抗倾覆稳定系数KF可用下式表示: y γB γ KF = —— = —— = —— ee e/B 式中: B——与组合荷载竖向合力偏心方向平行的基础边长; e——作用在基底平面的组合荷载全部竖向合力对基底面积形心的偏心距; y——基底平面形心至最大受压边缘的距离,γ为y与B的比值。 从式中可以看出e/B直接影响着抗倾覆稳定系数KF,KF随着e/B的增大而降低,因此容易引起较大的倾斜。表19三个典型工程的实测证实了在地基条件相同时,e/B越大,则倾斜越大。 表19 e/B值与整体倾斜的关系 地基条件 工程名称 横向偏心距e(m) 基底宽度B(m) e/B 实测倾斜(‰) 上海软土地基 胸科医院 0.164 17.9 1/109 2.1(有相邻建筑影响) 上海软土地基 某研究所 0.154 14.8 1/96 2.7 北京硬土地基 中医医院 0.297 12.6 1/42 1.716(唐山地震时北京烈度为6度,未发现明显变化) 高层建筑由于楼身质心高,荷载重,当筏形基础开始产生倾斜后,建筑物总重对基础底面形心将产生新的倾覆力矩增量,而倾覆力矩的增量又产生新的倾斜增量,倾斜可能随时间而增长,直至地基变形稳定为止。因此,为避免基础产生倾斜,应尽量使结构竖向荷载合力作用点与基础平面形心重合,当偏心难以避免时,则应规定竖向合力偏心距的限值。本规范根据实测资料并参考交通部(公路桥涵设计规范)对桥墩合力偏心距的限制,规定了在作用的准永久组合时,e≤0.1W/A。从实测结果来看,这个限制对硬土地区稍严格,当有可靠依据时可适当放松。 8.4.3 国内建筑物脉动实测试验结果表明,当地基为非密实土和岩石持力层时,由于地基的柔性改变了上部结构的动力特性,延长了上部结构的基本周期以及增大了结构体系的阻尼,同时土与结构的相互作用也改变了地基运动的特性。结构按刚性地基假定分析的水平地震作用比其实际承受的地震作用大,因此可以根据场地条件、基础埋深、基础和上部结构的刚度等因素确定是否对水平地震作用进行适当折减。 实测地震记录及理论分析表明,土中的水平地震加速度一般随深度而渐减,较大的基础埋深,可以减少来自基底的地震输入,例如日本取地表下20m深处的地震系数为地表的0.5倍;法国规定筏基或带地下室的建筑的地震荷载比一般的建筑少20%。同时,较大的基础埋深,可以增加基础侧面的摩擦阻力和土的被动土压力,增强土对基础的嵌固作用。美国FEMA386及IBC规范采用加长结构物自振周期作为考虑地基土的柔性影响,同时采用增加结构有效阻尼来考虑地震过程中结构的能量耗散,并规定了结构的基底剪力最大可降低30%。 本次修订,对不同土层剪切波速、不同场地类别以及不同基础埋深的钢筋混凝土剪力墙结构,框架剪力墙结构和框架核心筒结构进行分析,结合我国现阶段的地震作用条件并与美国UBC1977和FEMA386、IBC规范进行了比较,提出了对四周与土层紧密接触带地下室外墙的整体式筏基和箱基,场地类别为Ⅲ类和Ⅳ类,结构基本自振周期处于特征周期的1.2倍~5倍范围时,按刚性地基假定分析的基底水平地震剪力和倾覆力矩可根据抗震设防烈度乘以折减系数,8度时折减系数取0.9,9度时折减系数取0.85,该折减系数是一个综合性的包络值,它不能与现行国家标准《建筑抗震设计规范》GB 50011第5.2节中提出的折减系数同时使用。 8.4.6 本条为强制性条文。平板式筏基的板厚通常由冲切控制,包括柱下冲切和内筒冲切,因此其板厚应满足受冲切承载力的要求。 8.4.7 N.W.Hanson和J.M.Hanson在他们的《混凝土板柱之间剪力和弯矩的传递》试验报告中指出:板与柱之间的不平衡弯矩传递,一部分不平衡弯矩是通过临界截面周边的弯曲应力T和C来传递,而一部分不平衡弯矩则通过临界截面上的偏心剪力对临界截面重心产生的弯矩来传递的,如图32所示。因此,在验算距柱边h0/2处的冲切临界截面剪应力时,除需考虑竖向荷载产生的剪应力外,尚应考虑作用在冲切临界截面重心上的不平衡弯矩所产生的附加剪应力。本规范公式(8.4.7-1)右侧第一项是根据现行国家标准《混凝土结构设计规范》GB 50010在集中力作用下的冲切承载力计算公式换算而得,右侧第二项是引自美国ACI 318规范中有关的计算规定。 图32 板与柱不平衡弯矩传递示意 关于公式(8.4.7-1)中冲切力取值的问题,国内外大量试验结果表明,内柱的冲切破坏呈完整的锥体状,我国工程实践中一直沿用柱所承受的轴向力设计值减去冲切破坏锥体范围内相应的地基净反力作为冲切力;对边柱和角柱,中国建筑科学研究院地基所试验结果表明,其冲切破坏锥体近似为1/2和1/4圆台体,本规范参考了国外经验,取柱轴力设计值减去冲切临界截面范围内相应的地基净反力作为冲切力设计值。 本规范中的角柱和边柱是相对于基础平面而言的。大量计算结果表明,受基础盆形挠曲的影响,基础的角柱和边柱产生了附加的压力。本次修订时将角柱和边柱的冲切力乘以了放大系数1.2和1.1。 公式(8.4.7-1)中的Munb是指作用在柱边h0/2处冲切临界截面重心上的弯矩,对边柱它包括由柱根处轴力N和该处筏板冲切临界截面范围内相应的地基反力P对临界截面重心产生的弯矩。由于本条中筏板和上部结构是分别计算的,因此计算M值时尚应包括柱子根部的弯矩设计值Mc,如图33所示,M的表达式为: Munb=NeN-Pep±Mc 对于内柱,由于对称关系,柱截面形心与冲切临界截面重心重合,eN=ep=0,因此冲切临界截面重心上的弯矩,取柱根弯矩设计值。 国外试验结果表明,当柱截面的长边与短边的比值βs大于2时,沿冲切临界截面的长边的受剪承载力约为柱短边受剪承载力的一半或更低。本规范的公式(8.4.7-2)是在我国受冲切承载力公式的基础上,参考了美国ACI 318规范中受冲切承载力公式中有关规定,引进了柱截面长、短边比值的影响,适用于包括扁柱和单片剪力墙在内的平板式筏基。图34给出了本规范与美国ACI 318规范在不同βs条件下筏板有效高度的比较,由于我国受冲切承载力取值偏低,按本规范算得的筏板有效高度稍大于美国ACI 318规范相关公式的结果。 图33 边柱Munb计算示意 1—冲切临界截面重心;2—柱;3—筏板 图34 不同βs条件下筏板有效高度的比较 1—实例一、筏板区格9m×11m,作用的标准组合的地基土 净反力345.6kPa;2—实例二、筏板区格7m×9.45m, 作用的标准组合的地基土净反力245.5kPa 对有抗震设防要求的平板式筏基,尚应验算地震作用组合的临界截面的最大剪应力τE,max,此时公式(8.4.7-1)和式(8.4.7-2)应改写为: VsE ME τE,max = —— + αs——CAB As Is 0.7 1.2 τE,max ≤ ——(0.4+——)βhpƒt γRE βS 式中: VsE——作用的地震组合的集中反力设计值(kN); ME——作用的地震组合的冲切临界截面重心上的弯矩设计值(kN·m); As——距柱边h0/2处的冲切临界截面的筏板有效面积(m2); γRE——抗震调整系数,取0.85。 8.4.8 Venderbilt在他的《连续板的抗剪强度》试验报告中指出:混凝土抗冲切承载力随比值um/h0的增加而降低。由于使用功能上的要求,核心筒占有相当大的面积,因而距核心筒外表面h0/2处的冲切临界截面周长是很大的,在h0保持不变的条件下,核心筒下筏板的受冲切承载力实际上是降低了,因此设计时应验算核心筒下筏板的受冲切承载力,局部提高核心筒下筏板的厚度。此外,我国工程实践和美国休斯敦壳体大厦基础钢筋应力实测结果表明,框架-核心筒结构和框筒结构下筏板底部最大应力出现在核心筒边缘处,因此局部提高核心筒下筏板的厚度,也有利于核心筒边缘处筏板应力较大部位的配筋。本规范给出的核心筒下筏板冲切截面周长影响系数η,是通过实际工程中不同尺寸的核心筒,经分析并和美国ACI 318规范对比后确定的(详见表20)。 表20 内筒下筏板厚度比较 筒尺寸 (m×m) 筏板混凝土 强度等级 标准组合的 内筒轴力 (kN) 标准组合的 基底净反力 (kN/m2) 规范名称 筏板有效高度(m) 不考虑冲切临界 截面周长影响 考虑冲切临界 截面周长影响 11.3×13.0 C30 128051 383.4 GB 50007 1.22 1.39 ACI 318 1.18 1.44 12.6×27.2 C40 424565 453.1 GB 50007 2.41 2.72 ACI 318 2.36 2.71 24×24 C40 718848 480 GB 50007 3.2 3.58 ACI 318 3.07 3.55 24×24 C40 442980 300 GB 50007 2.39 2.57 ACI 318 2.12 2.67 24×24 C40 336960 225 GB 50007 1.95 2.28 ACI 318 1.67 2.21 8.4.9 本条为强制性条文。平板式筏基内筒、柱边缘处以及筏板变厚度处剪力较大,应进行抗剪承载力验算。 8.4.10 通过对已建工程的分析,并鉴于梁板式筏基基础梁下实测土反力存在的集中效应、底板与土壤之间的摩擦力作用以及实际工程中底板的跨厚比一般都在14~6之间变动等有利因素,本规范明确了取距内柱和内筒边缘h0处作为验算筏板受剪的部位,如图35所示;角柱下验算筏板受剪的部位取距柱角h0处,如图36所示。式(8.4.10)中的Vs即作用在图35或图36中阴影面积上的地基平均净反力设计值除以验算截面处的板格中至中的长度(内柱)、或距角柱角点h0处45°斜线的长度(角柱)。国内筏板试验报告表明:筏板的裂缝首先出现在板的角部,设计中当采用简化计算方法时,需适当考虑角点附近土反力的集中效应,乘以1.2的增大系数。图37给出了筏板模型试验中裂缝发展的过程。设计中当角柱下筏板受剪承载力不满足规范要求时,也可采用适当加大底层角柱横截面或局部增加筏板角隅板厚等有效措施,以期降低受剪截面处的剪力。 图35 内柱(筒)下筏板验算 图36 角柱(筒)下筏板验算 剪切部位示意 剪切部位示意 1—验算剪切部位;2—板格中线 1—验算剪切部位;2—板格中线 对于上部为框架-核心筒结构的平板式筏形基础,设计人应根据工程的具体情况采用符合实际的计算模型或根据实测确定的地基反力来验算距核心筒h0处的筏板受剪承载力。当边柱与核心筒之间的距离较大时,式(8.4.10)中的Vs即作用在图38中阴影面积上的地基平均净反力设计值与边柱轴力设计值之差除以b,b取核心筒两侧紧邻跨的跨中分线之间的距离。当主楼核心筒外侧有两排以上框架柱或边柱与核心筒之间的距离较小时,设计人应根据工程具体情况慎重确定筏板受剪承载力验算单元的计算宽度。 图38 框架-核心筒下筏板受剪承载力计算截面位置和计算 1—混凝土核心筒与柱之间的中分线;2—剪切计算截面;3—验算单元的计算宽度b 关于厚筏基础板厚中部设置双向钢筋网的规定,同国家标准《混凝土结构设计规范》GB 50010的要求。日本Shioya等通过对无腹筋构件的截面高度变化试验,结果表明,梁的有效高度从200mm变化到3000mm时,其名义抗剪强度(V/bh0)降低64%。加拿大M.P.Collins等研究了配有中间纵向钢筋的无腹筋梁的抗剪承载力,试验研究表明,构件中部的纵向钢筋对限制斜裂缝的发展,改善其抗剪性能是有效的。 8.4.11 本条为强制性条文。本条规定了梁板式筏基底板的设计内容:抗弯计算、受冲切承载力计算、受剪切承载力计算。为确保梁板式筏基底板设计的安全,在进行梁板式筏基底板设计时必须严格执行。 8.4.12 板的抗冲切机理要比梁的抗剪复杂,目前各国规范的受冲切承载力计算公式都是基于试验的经验公式。本规范梁板式筏基底板受冲切承载力和受剪承载力验算方法源于《高层建筑箱形基础设计与施工规程》JGJ 6-80。验算底板受剪承载力时,规程JGJ 6-80规定了以距墙边h0(底板的有效高度)处作为验算底板受剪承载力的部位。在本规范2002版编制时,对北京市十余幢已建的箱形基础进行调查及复算,调查结果表明按此规定计算的底板并没有发现异常现象,情况良好。表21和表22给出了部分已建工程有关箱形基础双向底板的信息,以及箱形基础双向底板按不同规范计算剪切所需的h0。分析比较结果表明,取距支座边缘h0处作为验算双向底板受剪承载力的部位,并将梯形受荷面积上的平均净反力摊在(ln2-2h0)上的计算结果与工程实际的板厚以及按ACI 318计算结果是十分接近的。 表21 已建工程箱形基础双向底板信息表 序号 工程名称 板格尺寸(m×m) 地基净反力标准值(kPa) 支座宽度(m) 混凝土强度等级 底板实用厚度h(mm) ① 海军医院门诊楼 7.2×7.5 231.2 0.60 C25 550 ② 望京Ⅱ区1号楼 6.3×7.2 413.6 0.20 C25 850 ③ 望京Ⅱ区2号楼 6.3×7.2 290.4 0.20 C25 700 ④ 望京Ⅱ区3号楼 6.3×7.2 384.0 0.20 C25 850 ⑤ 松榆花园1号楼 8.1×8.4 616.8 0.25 C35 1200 ⑥ 中鑫花园 6.15×9.0 414.4 0.30 C30 900 ⑦ 天创成 7.9×10.1 595.5 0.25 C30 1300 ⑧ 沙板庄小区 6.4×8.7 434.0 0.20 C30 1000 表22 已建工程箱形基础双向底板剪切计算分析 序号 双向底板剪切计算的h0(mm) 按GB 50007双向底板 冲切计算的h0(mm) 工程实用厚度h(mm) GB 50010 ACI-318 GB 50007 梯形土反力摊在ln2上 梯形土反力摊在(ln2—2h0)上 支座边缘 距支座边h0 距支座边h0 ① 600 584 514 470 550 ② 1200 853 820 710 850 ③ 760 680 620 540 700 ④ 1090 815 770 670 850 ⑤ 1880 1160 1260 1000 1200 ⑥ 1210 915 824 700 900 ⑦ 2350 1355 1440 1120 1300 ⑧ 1300 950 890 740 1000 8.4.14 中国建筑科学研究院地基所黄熙龄和郭天强在他们的框架柱-筏基础模型试验报告中指出,在均匀地基上,上部结构刚度较好,柱网和荷载分布较均匀,且基础梁的截面高度大于或等于1/6的梁板式筏基基础,可不考虑筏板的整体弯曲,只按局部弯曲计算,地基反力可按直线分布。试验是在粉质黏土和碎石土两种不同类型的土层上进行的,筏基平面尺寸为3220mm×2200mm,厚度为150mm(图39),其上为三榀单层框架(图40)。试验结果表明,土质无论是粉质黏土还是碎石土,沉降都相当均匀(图41),筏板的整体挠曲度约为万分之三。基础内力的分布规律,按整体分析法(考虑上部结构作用)与倒梁法是一致的,且倒梁板法计算出来的弯矩值还略大于整体分析法(图42)。 图40 模型试验(B)轴线剖面图 1—框架梁;2—柱;3—传感器;4—筏板 图42 整体分析法与倒梁板法弯矩计算结果比较 1—整体(考虑上部结构刚度);2—倒梁板法 对单幢平板式筏基,当地基土比较均匀,地基压缩层范围内无软弱土层或可液化土层、上部结构刚度较好,柱网和荷载较均匀、相邻柱荷载及柱间距的变化不超过20%,上部结构刚度较好,筏板厚度满足受冲切承载力要求,且筏板的厚跨比不小于1/6时,平板式筏基可仅考虑局部弯曲作用。筏形基础的内力,可按直线分布进行计算。当不满足上述条件时,宜按弹性地基理论计算内力,分析时采用的地基模型应结合地区经验进行选择。 对于地基土、结构布置和荷载分布不符合本条要求的结构,如框架—核心筒结构等,核心筒和周边框架柱之间竖向荷载差异较大,一般情况下核心筒下的基底反力大于周边框架柱下基底反力,因此不适用于本条提出的简化计算方法,应采用能正确反映结构实际受力情况的计算方法。 8.4.16 工程实践表明,在柱宽及其两侧一定范围的有效宽度内,其钢筋配置量不应小于柱下板带配筋量的一半,且应能承受板与柱之间部分不平衡弯矩αmMunb,以保证板柱之间的弯矩传递,并使筏板在地震作用过程中处于弹性状态。条款中有效宽度的范围,是根据筏板较厚的特点,以小于1/4板跨为原则而提出来的。有效宽度范围如图43所示。 图43 柱两侧有效宽度范围的示意 1—有效宽度范围内的钢筋应不小于柱下板带配筋量的一半,且能承担αmMunb;2—柱下板带;3—柱;4—跨中板带 8.4.18 本条为强制性条文。梁板式筏基基础梁和平板式筏基的顶面处与结构柱、剪力墙交界处承受较大的竖向力,设计时应进行局部受压承载力计算。 8.4.20 中国建筑科学研究院地基所黄熙龄、袁勋、宫剑飞、朱红波等对塔裙一体大底盘平板式筏形基础进行室内模型系列试验以及实际工程的原位沉降观测,得到以下结论: 1 厚筏基础(厚跨比不小于1/6)具备扩散主楼荷载的作用,扩散范围与相邻裙房地下室的层数、间距以及筏板的厚度有关,影响范围不超过三跨。 2 多塔楼作用下大底盘厚筏基础的变形特征为:各塔楼独立作用下产生的变形效应通过以各个塔楼下面一定范围内的区域为沉降中心,各自沿径向向外围衰减。 3 多塔楼作用下大底盘厚筏基础的基底反力的分布规律为:各塔楼荷载产出的基底反力以其塔楼下某一区域为中心,通过各自塔楼周围的裙房基础沿径向向外围扩散,并随着距离的增大而逐渐衰减。 4 大比例室内模型系列试验和工程实测结果表明,当高层建筑与相连的裙房之间不设沉降缝和后浇带时,高层建筑的荷载通过裙房基础向周围扩散并逐渐减小,因此与高层建筑紧邻的裙房基础下的地基反力相对较大,该范围内的裙房基础板厚度突然减小过多时,有可能出现基础板的截面因承载力不够而发生破坏或其因变形过大出现裂缝。因此本条提出高层建筑及与其紧邻一跨的裙房筏板应采用相同厚度,裙房筏板的厚度宜从第二跨裙房开始逐渐变化。 5 室内模型试验结果表明,平面呈L形的高层建筑下的大面积整体筏形基础,筏板在满足厚跨比不小于1/6的条件下,裂缝发生在与高层建筑相邻的裙房第一跨和第二跨交接处的柱旁。试验结果还表明,高层建筑连同紧邻一跨的裙房其变形相当均匀,呈现出接近刚性板的变形特征。因此,当需要设置后浇带时,后浇带宜设在与高层建筑相邻裙房的第二跨内(见图44)。 图44 平面呈L形的高层建筑后浇带示意 1—L形高层建筑;2—后浇带 8.4.21 室内模型试验和工程沉降观察以及反算结果表明,在同一大面积整体筏形基础上有多幢高层和低层建筑时,筏形基础的结构分析宜考虑上部结构、基础与地基土的共同作用,否则将得到与沉降测试结果不符的较小的基础边缘沉降值和较大的基础挠曲度。 8.4.22 高层建筑基础不但应满足强度要求,而且应有足够的刚度,方可保证上部结构的安全。本规范基础挠曲度△/L的定义为:基础两端沉降的平均值和基础中间最大沉降的差值与基础两端之间距离的比值。本条给出的基础挠曲△/L=0.5‰限值,是基于中国建筑科学研究院地基所室内模型系列试验和大量工程实测分析得到的。试验结果表明,模型的整体挠曲变形曲线呈盆形,当△/L>0.7‰时,筏板角部开始出现裂缝,随后底层边、角柱的根部内侧顺着基础整体挠曲方向出现裂缝。英国Burland曾对四幢直径为20m平板式筏基的地下仓库进行沉降观测,筏板厚度1.2m,基础持力层为白垩层土。四幢地下仓库的整体挠曲变形曲线均呈反盆状(图45),当基础挠曲度△/L=0.45‰时,混凝土柱子出现发丝裂缝,当△/L=0.6‰时,柱子开裂严重,不得不设置临时支撑。因此,控制基础挠曲度的是完全必要的。 图45 四幢地下仓库平板式筏基的整体挠曲变形曲线及柱子裂缝示意 图46 大底盘结构试验模型平面及剖面 8.4.23 中国建筑科学研究院地基所滕延京和石金龙对大底盘框架-核心筒结构筏板基础进行了室内模型试验,试验基坑内为人工换填的均匀粉土,深2.5m,其下为天然地基老土。通过载荷板试验,地基土承载力特征值为100kPa。试验模型比例i=6,上部结构为8层框架-核心筒结构,其左右两侧各带1跨2层裙房,筏板厚度为220mm,楼板厚度:1层为35mm,2层为50mm,框架柱尺寸为150mm×150mm,大底盘结构模型平面及剖面见图46。 试验结果显示: 1 当筏板发生纵向挠曲时,在上部结构共同作用下,外扩裙房的角柱和边柱抑制了筏板纵向挠曲的发展,柱下筏板存在局部负弯矩,同时也使顺着基础整体挠曲方向的裙房底层边、角柱下端的内侧,以及底层边、角柱上端的外侧出现裂缝。 2 裙房的角柱内侧楼板出现弧形裂缝、顺着挠曲方向裙房的外柱内侧楼板以及主裙楼交界处的楼板均发生了裂缝,图47及图48为一层和二层楼板板面裂缝位置图。本条的目的旨在从构造上加强此类楼板的薄弱环节。 图47 一层楼板板面裂缝位置图 图48 二层楼板板面裂缝位置图 8.4.24 试验资料和理论分析都表明,回填土的质量影响着基础的埋置作用,如果不能保证填土和地下室外墙之间的有效接触,将减弱土对基础的约束作用,降低基侧土对地下结构的阻抗。因此,应注意地下室四周回填土应均匀分层夯实。 8.4.25 20世纪80年代,国内王前信、王有为曾对北京和上海20余栋23m~58m高的剪力墙结构进行脉动试验,结果表明由于上海的地基土质软于北京,建于上海的房屋自振周期比北京类似的建筑物要长30%,说明了地基的柔性改变了上部结构的动力特性。反之上部结构也影响了地基土的黏滞效应,提高了结构体系的阻尼。 通常在设计中都假定上部结构嵌固在基础结构上,实际上这一假定只有在刚性地基的条件下才能实现。对绝大多数都属柔性地基的地基土而言,在水平力作用下结构底部以及地基都会出现转动,因此所谓嵌固实质上是指接近于固定的计算基面。本条中的嵌固即属此意。 1989年,美国旧金山市一幢257.9m高的钢结构建筑,地下室采用钢筋混凝土剪力墙加强,其下为2.7m厚的筏板,基础持力层为黏性土和密实性砂土,基岩位于室外地面下48m~60m处。在强震作用下,地下室除了产生52.4mm的整体水平位移外,还产生了万分之三的整体转角。实测记录反映了两个基本事实:其一是厚筏基础四周外墙与土层紧密接触,且具有一定数量纵横内墙的地下室变形呈现出与刚体变形相似的特征;其二是地下结构的转角体现了柔性地基的影响。地震作用下,既然四周与土壤接触的具有外墙的地下室变形与刚体变形基本一致,那么在抗震设计中可假设地下结构为一刚体,上部结构嵌固在地下室的顶板上,而在嵌固部位处增加一个大小与柔性地基相同的转角。 对有抗震设防要求的高层建筑基础和地下结构设计中的一个重要原则是,要求基础和地下室结构应具有足够的刚度和承载力,保证上部结构进入非弹性阶段时,基础和地下室结构始终能承受上部结构传来的荷载并将荷载安全传递到地基上。因此,当地下一层结构顶板作为上部结构的嵌固部位时,为避免塑性铰转移到地下一层结构,保证上部结构在地震作用下能实现预期的耗能机制,本规范规定了地下一层的层间侧向刚度大于或等于与其相连的上部结构楼层刚度的1.5倍。地下室的内外墙与主楼剪力墙的间距符合条文中表8.4.25要求时,可将该范围内的地下室的内墙的刚度计入地下室层间侧向刚度内,但该范围内的侧向刚度不能重叠使用于相邻建筑,6度区和非抗震设计的建筑物可参照表8.4.25中的7度、8度区的要求适当放宽。 当上部结构嵌固地下一层结构顶板上时,为保证上部结构的地震等水平作用能有效通过楼板传递到地下室抗侧力构件中,地下一层结构顶板上开设洞口的面积不宜大于该层面积的30%;沿地下室外墙和内墙边缘的楼板不应有大洞口;地下一层结构顶板应采用梁板式楼盖;楼板的厚度、混凝土强度等级及配筋率不应过小。本规范提出地下一层结构顶板的厚度不应小于180mm的要求,不仅旨在保证楼板具有一定的传递水平作用的整体刚度,还旨在充分发挥其有效减小基础整体弯曲变形和基础内力的作用,使结构受力、变形更为合理、经济。试验和沉降观察结果的反演均显示了楼板参与工作后对降低基础整体挠曲度的贡献,基础整体挠曲度随着楼板厚度的增加而减小。 当不符合本条要求时,建筑物的嵌固部位可设在筏基的顶部,此时宜考虑基侧土对地下室外墙和基底土对地下室底板的抗力。 8.4.26 国内震害调查表明,唐山地震中绝大多数地面以上的工程均遭受严重破坏,而地下人防工程基本完好。如新华旅社上部结构为8层组合框架,8度设防,实际地震烈度为10度。该建筑物的梁、柱和墙体均遭到严重破坏(未倒塌),而地下室仍然完好。天津属软土区,唐山地震波及天津时,该地区的地震烈度为7度~8度,震后已有的人防地下室基本完好,仅人防通道出现裂缝。这不仅仅由于地下室刚度和整体性一般较大,还由于土层深处的水平地震加速度一般比地面小,因此当结构嵌固在基础顶面时,剪力墙底部加强部位的高度应从地下室顶板算起,但地下部分也应作为加强部位。国内震害还表明,个别与上部结构交接处的地下室柱头出现了局部压坏及剪坏现象。这表明在强震作用下,塑性铰的范围有向地下室发展的可能。因此,与上部结构底层相邻的那一层地下室是设计中需要加强的部位。有关地下室的抗震等级、构件的截面设计以及抗震构造措施参照现行国家标准《建筑抗震设计规范》GB 50011有关条款使用。